Passer au contenu principal

Dimensions de platine – Le choix idéal pour vos roulettes

Les dimensions de platine sont un critère essentiel pour choisir les roulettes adaptées à votre application. Elles déterminent la taille et la forme de la plaque de fixation nécessaire pour relier la roulette à sa structure porteuse ou à l’équipement. Des dimensions de platine correctes garantissent non seulement un montage sûr, mais aussi une performance et une durabilité optimales des roulettes, quel que soit le type de charge transportée.

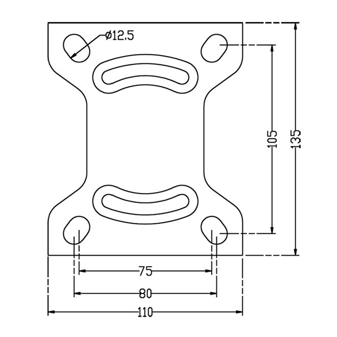
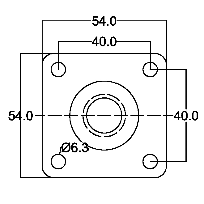
Série A300, A310, A320 ...

Ø de roue 50 mm

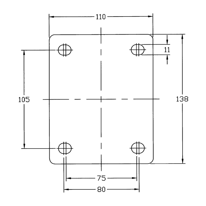
Série A300, A310, A320 ...

Ø de roue 75, 100 mm

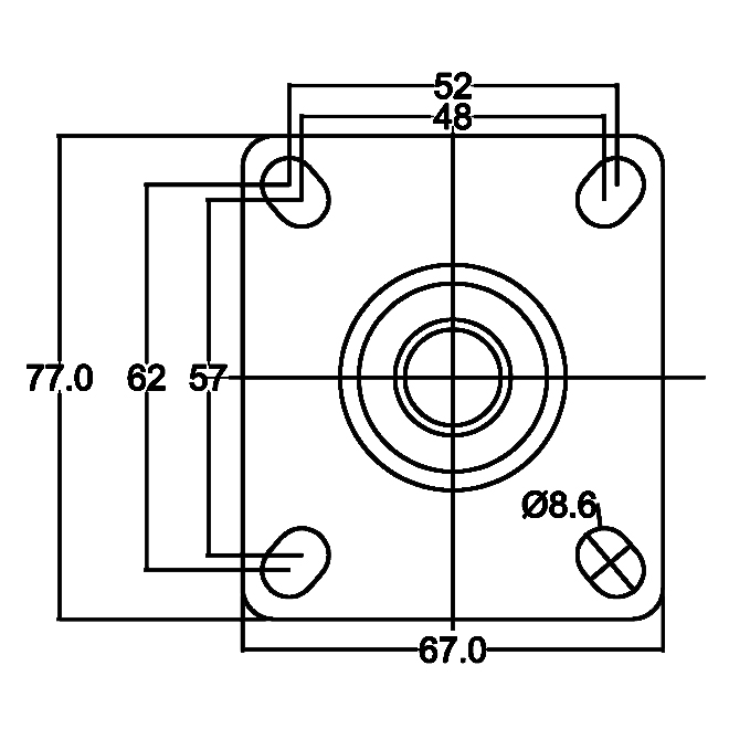
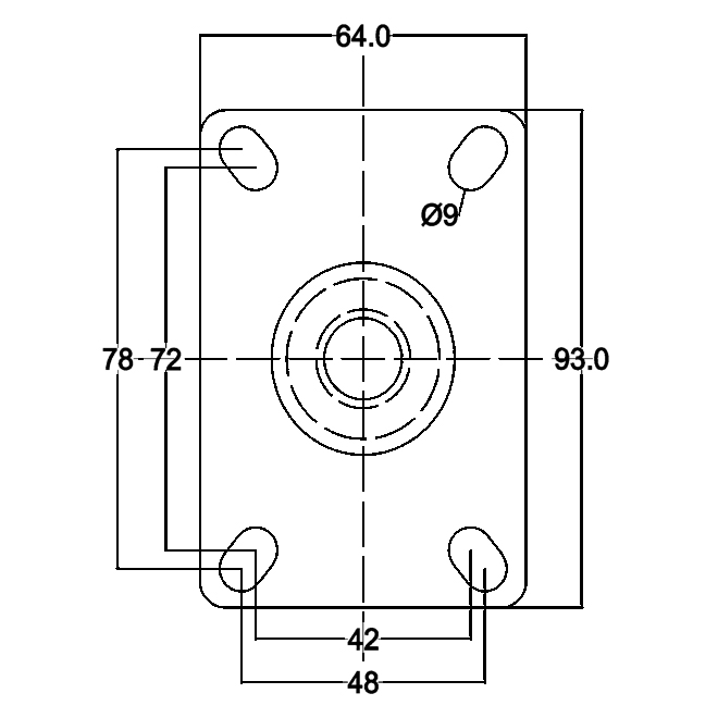
Série B100, B120 …

Ø de roue 50 mm

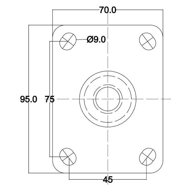
Série B100, B120 …

Ø de roue 75 mm

Série C100, C110, C120 …

Ø de roue 100, 125 mm

Série C100, C110, C120 …

Ø de roue 80, 150 mm

Série C100, C110, C120 …
Ø de roue 100, 125 mm

Série L400, L420 …

Ø de roue 80, 100, 125 mm

Série L410 …

Ø de roue 80, 100, 125 mm

Série L400, L420 …

Ø de roue 125, 160, 180, 200 mm

Série L410 …

Ø de roue 125, 160, 180, 200 mm

Série LS400, LS410, LS420 …

Ø de roue 125 mm

Série LSS400
Ø de roue 125 mm

Série LB500

Ø de roue 100, 125 mm

Série LS500

Ø de roue 100 mm

Série L500

Ø de roue 100 mm

Série N100, N120 …

Ø de roue 100, 125, 160, 200, 250 mm

Série N110 …

Ø de roue 100, 125, 160, 200, 250 mm

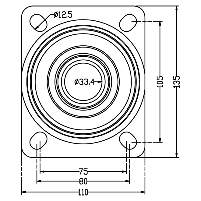
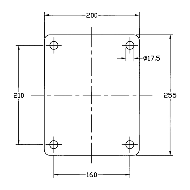
Série L600, L620 …

Ø de roue 125, 160, 200, 250 mm

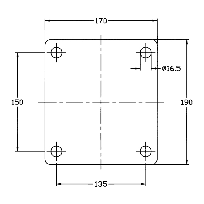
Série L610 …

Ø de roue 125, 160, 200, 250 mm

Série R100, R110 …

Ø de roue 85 mm

Série R100, R110, R120 …

Ø de roue 80, 100 mm

Série R100, R110, R120 …

Ø de roue 100, 125, 160, 200, 250 mm

Série R100, R110, R120 …

Ø de roue 150, 200, 250, 300 mm

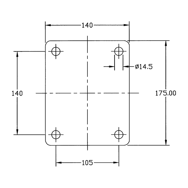
Série R100, R110, R120 …

Ø de roue 150, 200, 250, 300, 400 mm

Série S100, S120 …

Ø de roue 150, 200, 250, 300, 400 mm

Série R100, R110, R120 …

Ø de roue 200, 250, 300, 400 mm

Série S100, S120 …

Ø de roue 100, 125, 150 mm

Série S110 …

Ø de roue 100, 125, 150 mm

Série S100, S110, S120 …

Ø de roue 150, 200, 250, 300 mm

Série S110 …

Ø de roue 150, 200, 250, 300, 400 mm

Série S100, S110, S120 …

Ø de roue 150, 200, 250, 300, 400 mm